Nahant to Gloucester, high-resolution seismic-reflection profiles

Metadata also available as - [Outline] - [Parseable text] - [XML]

Frequently anticipated questions:


What does this data set describe?

Title:
Nahant to Gloucester, high-resolution seismic-reflection profiles
Abstract:
This report presents high-resolution maps of the seafloor offshore of Massachusetts, from Nahant to Gloucester. Approximately 134 km² of the inner shelf were mapped with a focus on the nearshore region in water depths less than 40 m. The maps were prepared as part of a cooperative mapping program between the U.S. Geological Survey (USGS) and the Massachusetts Office of Coastal Zone Management (CZM). They are based on marine geophysical data, sediment sampling, and bottom photography obtained on two research cruises carried out in 2003 and 2004. The primary objective of this program is to develop a suite of seafloor maps that provide geologic information for management of coastal and marine resources. Accurate maps of seafloor geology are important first steps toward protecting fish habitat, delineating marine reserves, and assessing environmental changes due to natural or human impacts. The maps also provide a geologic framework for scientific research, industry and the public.
Supplemental_Information:
The original report did not include a separate metadata file for these data, so the metadata file was created at a later date (2025). Additional information about the activities that acquired the data can be found at: https://cmgds.marine.usgs.gov/services/activity.php?fan=2003-007-FA and https://cmgds.marine.usgs.gov/services/activity.php?fan=2004-002-FA
The bounding coordinates are the same as the sidescan sonar mosaic bounding coordinates. The shot point and trackline data are in a personal geodatabase and were inaccessible at the time of the metadata creation.
  1. How might this data set be cited?
    Andrews, Brian D., 2006, Nahant to Gloucester, high-resolution seismic-reflection profiles: Open File Report 2005-1293, U.S. Geological Survey, Coastal and Marine Geology Program, Woods Hole Coastal and Marine Science Center, Woods Hole, Massachusetts.

    Online Links:

    This is part of the following larger work.

    Barnhardt, Walter A., Andrews, Brian D., and Butman, Bradford, 2006, High-Resolution Mapping of the Inner Continental Shelf: Nahant to Gloucester, Massachusetts: Open-File Report 2005-1293, U.S. Geological Survey, Reston, VA.

    Online Links:

  2. What geographic area does the data set cover?
    West_Bounding_Coordinate: -70.942180
    East_Bounding_Coordinate: -70.660046
    North_Bounding_Coordinate: 42.577803
    South_Bounding_Coordinate: 42.388418
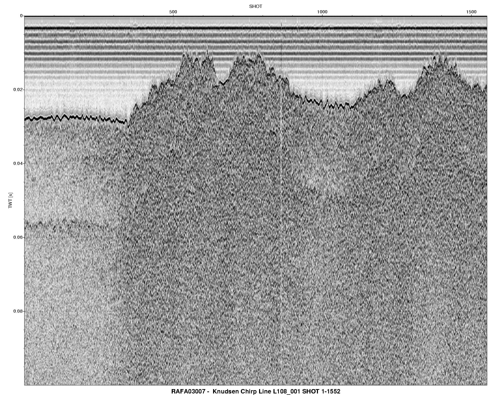
  3. What does it look like?
    https://pubs.usgs.gov/of/2005/1293/images/L108_001.jpg (PDF)
    Example of one of the seismic-relfection profiles images.
  4. Does the data set describe conditions during a particular time period?
    Beginning_Date: 22-Sep-2003
    Ending_Date: 07-May-2004
    Currentness_Reference:
    ground condition of two separate date ranges - 20030922 to 20031015 and 20040412 to 20040507
  5. What is the general form of this data set?
    Geospatial_Data_Presentation_Form: raster
  6. How does the data set represent geographic features?
    1. How are geographic features stored in the data set?
    2. What coordinate system is used to represent geographic features?
  7. How does the data set describe geographic features?
    Entity_and_Attribute_Overview:
    There are no attributes associated with the seismic-reflection profile images. Any trackline information available for the seismic data would be in the ArcMap 9.0 personal geodatabase.
    Entity_and_Attribute_Detail_Citation: U.S. Geological Survey

Who produced the data set?

  1. Who are the originators of the data set? (may include formal authors, digital compilers, and editors)
    • Brian D. Andrews
  2. Who also contributed to the data set?
  3. To whom should users address questions about the data?
    Brian Andrews
    U.S. Geological Survey
    Marine Geographer
    384 Woods Hole Rd.
    Woods Hole, MA
    USA

    508-548-8700 x2348 (voice)
    508-457-2310 (FAX)
    bandrews@usgs.gov

Why was the data set created?

These seismic-relfection data were used to generate a sediment isopach map, which shows the total thickness of sediment between the seafloor and bedrock

How was the data set created?

  1. From what previous works were the data drawn?
  2. How were the data generated, processed, and modified?
    Date: unknown (process 1 of 2)
    Approximately 1,175 km of high-resolution seismic-reflection profiles (fig. 3.4) were collected using a Knudsen 320b chirp system (3.5-12 kHz). Data were processed using SIOSEIS (Scripps Institute of Oceanography) and Seismic Unix (Colorado School of Mines) to produce segy files and jpg images of the seismic profiles. The segy data were then imported into SeisWorks (Landmark Graphics Inc), an integrated seismic interpretation software package, where selected horizons were digitized to calculate depth to reflections below the seafloor. A constant velocity of 1500 m/s was applied through both water and sediment. Interpreted depth to bedrock (every 5 shots ) was exported into ArcGIS for interpolation into a 50-m grid. Interpreted depth to reflections were calculated, exported every 5 shots, and then imported to ArcGIS for interpolation into a continuous raster with a resolution of 50m/pixel. These data were used to generate a sediment isopach map, which shows the total thickness of sediment between the seafloor and bedrock.
    This information was copied from the report to assist in generating this metadata file.
    Date: 23-Sep-2025 (process 2 of 2)
    This metadata file was written based on information from within the report and existing metadata. It's possible some elements that should have been removed were not removed. The original publication did not provide metadata for this dataset. Additionally, this metadata file provides links in the distribution section to the Excel spreadsheet of the sample analyses that was part of the ground truthing. That link is available in the report, but not as a separate link on the Appendix 1 - Geographic Information System page. The data is also available as part of the personal geodatabase. Added USGS persistent identifier as theme keyword. (20250923) Person who carried out this activity:
    U.S. Geological Survey
    Attn: VeeAnn A. Cross
    Marine Geologist
    384 Woods Hole Rd.
    Woods Hole, MA

    508-548-8700 x2251 (voice)
    508-457-2310 (FAX)
    vatnipp@usgs.gov
  3. What similar or related data should the user be aware of?

How reliable are the data; what problems remain in the data set?

  1. How well have the observations been checked?
  2. How accurate are the geographic locations?
    Although the profiles images themselves don't have navigation data, the report indicates navigation for the research vessel and all data collection used Real-Time Kinematic Global Positioning System (RTK-GPS). The RTK corrected GPS signal was sent to the R/V Rafael from a base station established by the USGS that occupied a Defense Mapping Agency geodetic monument near the Eastern Point Lighthouse in Gloucester.
  3. How accurate are the heights or depths?
    Seismic data are not corrected for tides.
  4. Where are the gaps in the data? What is missing?
    Information not available.
  5. How consistent are the relationships among the observations, including topology?
    Information not available.

How can someone get a copy of the data set?

Are there legal restrictions on access or use of the data?
Access_Constraints No access constraints. Please see 'Distribution Information' for details.
Use_Constraints These data are marked with a Creative Commons CC0 1.0 Universal License. These data are in the public domain and do not have any use constraints. Users are advised to read the dataset's metadata thoroughly to understand appropriate use and data limitations. Please recognize the U.S. Geological Survey (USGS) as the source of this information.
  1. Who distributes the data set? (Distributor 1 of 1)
    Brian Andrews
    U.S. Geological Survey, Woods Hole Science Center
    Marine Geographer
    384 Woods Hole Rd.
    Woods Hole, MA
    USA

    508-548-8700 x2348 (voice)
  2. What's the catalog number I need to order this data set? The zip file contains 273 JPEG image of the seismic-reflection profiles (SeismicProfiles_zip.zip)
  3. What legal disclaimers am I supposed to read?
    Unless otherwise stated, all data, metadata and related materials are considered to satisfy the quality standards relative to the purpose for which the data were collected. Although these data and associated metadata have been reviewed for accuracy and completeness and approved for release by the U.S. Geological Survey (USGS), no warranty expressed or implied is made regarding the display or utility of the data for other purposes, nor on all computer systems, nor shall the act of distribution constitute any such warranty.
  4. How can I download or order the data?
  5. What hardware or software do I need in order to use the data set?
    The user must be capable of uncompressing the zip file

Who wrote the metadata?

Dates:
Last modified: 23-Sep-2025
Metadata author:
U.S. Geological Survey
Attn: VeeAnn A. Cross
Marine Geologist
384 Woods Hole Rd.
Woods Hole, MA
USA

(508) 548-8700 x2251 (voice)
(508) 457-2310 (FAX)
whsc_data_contact@usgs.gov
Contact_Instructions:
The metadata contact email address is a generic address in the event the person is no longer with the U.S. Geological Survey.
Metadata standard:
FGDC Content Standards for Digital Geospatial Metadata (FGDC-STD-001-1998)

This page is <https://cmgds.marine.usgs.gov/catalog/whcmsc/open_file_report/ofr2005-1293/seismic_profiles.faq.html>
Generated by mp version 2.9.51 on Wed Sep 24 10:44:33 2025